| قوة الحصان: | |
|---|---|
| اللون: | |
| مزود الطاقة: | |
| زيوت التشحيم: | |
| توافر الحالة: | |
| الكمية: | |
2YD/2YG
DMZL

تم تصميم الضاغط المكبس شبه المحكم ذو 4 أسطوانات DMZL ذو درجة الحرارة المنخفضة/المتوسطة (8-20HP) لتلبية متطلبات التبريد متوسطة الحجم، ويعمل عند -15 درجة مئوية إلى 12.5 درجة مئوية. إنه يوفر قدرة تبريد عالية، وتشغيل مستقر على مدار الساعة طوال أيام الأسبوع، وعمر خدمة طويل، مما يجعله مثاليًا لمرافق تخزين الألبان، وأنظمة تبريد العمليات الصناعية، ومستودعات المواد الغذائية متوسطة الحجم. يضمن نظام التشحيم القسري والمكونات المعززة للضاغط الموثوقية في التطبيقات الثقيلة، بينما تساعد كفاءة استخدام الطاقة العملاء على تقليل تكاليف التشغيل.
تتطلب مزارع الألبان ومصانع المعالجة والموزعين غرف تخزين تبلغ مساحتها 100-200 متر مكعب للحفاظ على الحليب والزبادي والجبن والزبدة عند درجة حرارة 2-4 درجة مئوية - وهو نطاق درجة حرارة يحافظ على نضارة الحليب ويمنع نمو البكتيريا. يحافظ هذا الضاغط على درجة الحرارة هذه مع اختلاف قدره ≥1 درجة مئوية، مما يضمن تلبية منتجات الألبان لمعايير سلامة الأغذية (على سبيل المثال، إدارة الغذاء والدواء الأمريكية، الاتحاد الأوروبي 10/2011). كما تتيح قدرة التبريد العالية (التي تصل إلى 24300 واط@-15 درجة مئوية/30 درجة مئوية) التبريد السريع لمنتجات الألبان الطازجة، مما يقلل من خطر التلف.
في الصناعات التحويلية - مثل قولبة حقن البلاستيك، وتشغيل المعادن، وإنتاج الإلكترونيات - تولد المعدات حرارة كبيرة يمكن أن تلحق الضرر بالأدوات وتقلل من جودة المنتج. يتكامل هذا الضاغط مع أنظمة تبريد العمليات لتبريد الزيت الهيدروليكي وسوائل المعالجة من 40 درجة مئوية إلى 15 درجة مئوية. يؤدي هذا إلى تقليل وقت توقف المعدات بنسبة 20% وإطالة عمر أدوات القطع والقوالب بنسبة 30%، مما يقلل تكاليف الإنتاج للمصنعين.
تدير سلاسل البقالة وموزعو المواد الغذائية مستودعات تتراوح مساحتها بين 150 و300 متر مكعب لتخزين الأطعمة المجمدة (مثل البيتزا والوجبات المجمدة والخضروات المعبأة مسبقًا) عند -18 درجة مئوية. يضمن نظام التشحيم القسري لهذا الضاغط التشغيل الموثوق به في دورات العمل على مدار 24 ساعة طوال أيام الأسبوع، بينما يقاوم هيكله المحكم الغبار والحطام - وهو أمر شائع في بيئات المستودعات. كما أن توافقه مع R404A (المبرد المستخدم على نطاق واسع لتطبيقات درجات الحرارة المنخفضة) يجعل من السهل أيضًا التكامل مع أنظمة التبريد الموجودة في المستودعات.


• تجميع لوحة الصمامات الفعالة : تستخدم لوحات الصمامات الفولاذ الزنبركي المستورد من ألمانيا، مع شكل محسّن يعمل على تحسين تدفق الهواء بنسبة 15% مقارنة بالصمامات القياسية. وهذا يعزز قدرة التبريد ويقلل من استهلاك الطاقة، مما يجعل الضاغط أكثر كفاءة في التشغيل الشاق.
• نظام التشحيم القسري : تعمل مضخة الزيت المخصصة على توصيل الزيت إلى المكونات المهمة (المحامل، والمكابس، والعمود المرفقي) عند ضغط ثابت يبلغ 0.2 ميجا باسكال. ويضمن ذلك تشحيمًا ثابتًا حتى في ظل الأحمال العالية (حتى 20 حصانًا)، مما يقلل الاحتكاك ويطيل عمر المكونات.
• سخان علبة المرافق المدمج : يمنع السخان بقدرة 140 وات 220 فولت تكثيف مادة التبريد في علبة المرافق أثناء إيقاف التشغيل. وهذا يحمي المحرك من التلف الناتج عن دخول سائل التبريد إلى الأسطوانات، وهي مشكلة شائعة في الضواغط ذات درجة الحرارة المنخفضة.
• العمود المرفقي من الفولاذ المقوى : يتم تصنيع العمود المرفقي من خلال معالجة الفولاذ المطروق ومعالجته بالحرارة إلى HRC 60-62. يمكنه تحمل عزم الدوران العالي (حتى 50 نيوتن متر) في التشغيل المستمر، مما يقلل من خطر الانحناء أو الكسر تحت الأحمال الثقيلة.
• حلقات المكبس المطلية بالكروم : حلقات المكبس مطلية بالكروم لتعزيز مقاومة التآكل، مما يجعلها مناسبة للاستخدام مع المبردات R404A وR507A - التي يمكن أن تسبب تآكلًا سريعًا في الحلقات غير المطلية. يؤدي هذا إلى إطالة عمر خدمة الضاغط إلى أكثر من 9000 ساعة تشغيل.
• ألواح الصمامات المقواة : مصنوعة من سبائك الفولاذ عالية القوة (40Cr)، ويمكن لألواح الصمامات أن تتحمل ضغطًا يصل إلى 1.0 ميجا باسكال. كما أنها مقاومة للتشوه عند درجات الحرارة العالية (حتى 120 درجة مئوية)، مما يضمن الأداء المتسق في ظروف التشغيل القاسية.
• التركيب والتشغيل في الموقع : بالنسبة للمشاريع واسعة النطاق (على سبيل المثال، مستودعات الألبان بسعة 200 متر مكعب)، يقوم مهندسونا المعتمدون بتوفير التركيب والتشغيل في الموقع. إنها تضمن دمج الضاغط بشكل صحيح مع نظام التبريد ويعمل وفقًا للمواصفات.
• أدوات التشخيص عن بعد : يمكن تجهيز الضاغط بأجهزة استشعار تدعم تقنية Bluetooth والتي تنقل البيانات في الوقت الفعلي (درجة الحرارة والضغط والتيار) إلى تطبيق الهاتف المحمول. يمكن لفريقنا الفني تحليل هذه البيانات عن بعد لتحديد المشكلات المحتملة - مثل ارتفاع درجة حرارة الزيت - قبل أن تتسبب في التوقف عن العمل.
• التسليم العالمي لقطع الغيار : يتم تخزين المكونات المهمة مثل أعمدة الكرنك، ولوحات الصمامات، ولفائف المحركات في مستودعاتنا العالمية، مما يضمن التسليم في غضون 3-5 أيام عمل لمعظم المناطق.
• عقود الصيانة السنوية : نقدم عقود صيانة سنوية تشمل تحليل الزيت (للكشف عن التلوث)، وكشف التسرب (باستخدام أدوات الموجات فوق الصوتية)، واختبار الأداء. تساعد هذه العقود العملاء على صيانة ضواغطهم بشكل استباقي وإطالة عمر الخدمة.
• الضمان الشامل : يغطي الضمان الشامل لمدة عامين جميع المكونات باستثناء الأجزاء القابلة للتآكل (مثل حلقات المكبس وفلاتر الزيت). وهذا يوفر للعملاء حماية طويلة الأمد ضد عيوب التصنيع.
• الامتثال للشهادة العالمية : يفي الضاغط بالمعايير الدولية، بما في ذلك CE (أوروبا)، وUL (أمريكا الشمالية)، وISO 9001. وهذا يضمن إمكانية استخدامه في أكثر من 50 دولة دون مشاكل تنظيمية، مما يبسط الصادرات العالمية للعملاء.
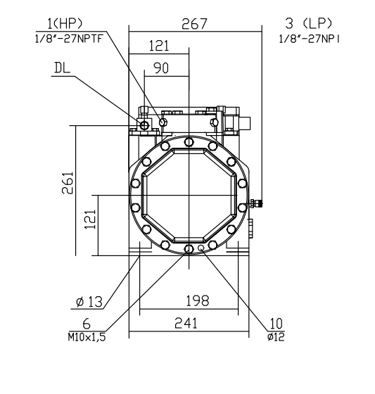
| نموذج DMZL | الطاقة الاسمية حصان/كيلوواط | الإزاحة م³/ساعة@ 50 هرتز | عدد الاسطوانات × القطر × الشوكة | صمام العادم والشفط مم/بوصة | حجم الزيت L | الطاقة الخامس/φ/هرتز | المعلمة الكهربائية | سخان علبة المرافق (220 فولت) واط | طريقة توريد النفط | الوزن (مع مادة التشحيم) كجم | ||
| صمام العادم DL | صمام الشفط SL | ماكس التشغيل الحالي (أ) | البدء/ التيار المقفل (أ) | |||||||||
| 2YD-2.2 | 2/1.5 | 13.4 | 2×Φ50×39.3 | φ16 | φ22 | 1.5 | 220-240△/380-420Y/3/50 265-290△/440-480Y/3/60 | 11.9/6.9 | 53.7/30.7 | 120 | تشحيم الطرد المركزي | 67.5 |
| 2YG-3.2 | 3/2.2 | 13.4 | 2×Φ50×39.3 | φ16 | φ22 | 1.5 | 13.5/7.8 | 64/37 | 120 | 70.5 | ||
| 2YD-3.2 | 3/2.2 | 16.2 | 2×Φ55×39.3 | φ16 | φ22 | 1.5 | 14.8/8.5 | 64/37 | 120 | 70 | ||
| 2YG-4.2 | 4/3 | 16.2 | 2×Φ55×39.3 | φ16 | φ22 | 1.5 | 16.4/9.4 | 76.6/44.2 | 120 | 70 | ||
| نموذج | درجة حرارة التكثيف | قدرة التبريد جودة (وات) استهلاك الطاقة بي (كيلوواط) | ||||||||||||||||||||||
| درجة حرارة التبخر ℃ | ||||||||||||||||||||||||
| 12.5 | 10 | 7.5 | 5 | 0 | -5 | -10 | -15 | -20 | -25 | -30 | ||||||||||||||
| 50 هرتز | 60 هرتز | 50 هرتز | 60 هرتز | 50 هرتز | 60 هرتز | 50 هرتز | 60 هرتز | 50 هرتز | 60 هرتز | 50 هرتز | 60 هرتز | 50 هرتز | 60 هرتز | 50 هرتز | 60 هرتز | 50 هرتز | 60 هرتز | 50 هرتز | 60 هرتز | 50 هرتز | 60 هرتز | |||
| 2YD-2.2 | 30 | جودة | 11730 | 14076 | 10680 | 12816 | 9710 | 11652 | 8810 | 10572 | 7200 | 8640 | 5820 | 6984 | 4650 | 5580 | 3660 | 4392 | 2820 | 3384 | 2120 | 2544 | 1540 | 1848 |
| بي | 1.82 | 2.184 | 1.79 | 2.148 | 1.75 | 2.1 | 1.71 | 2.052 | 1.63 | 1.956 | 1.53 | 1.836 | 1.43 | 1.716 | 1.31 | 1.572 | 1.18 | 1.416 | 1.03 | 1.236 | 0.87 | 1.044 | ||
| 40 | جودة | 10320 | 12384 | 9390 | 11268 | 8530 | 10236 | 7730 | 9276 | 6300 | 7560 | 5070 | 6084 | 4030 | 4836 | 3140 | 3768 | 2390 | 2868 | 1760 | 2112 | 1240 | 1488 | |
| بي | 2.15 | 2.58 | 2.11 | 2.532 | 2.06 | 2.472 | 2.01 | 2.412 | 1.89 | 2.268 | 1.76 | 2.112 | 1.62 | 1.944 | 1.46 | 1.752 | 1.28 | 1.536 | 1.09 | 1.308 | 0.88 | 1.056 | ||
| 50 | جودة | 8950 | 10740 | 8150 | 9780 | 7390 | 8868 | 6690 | 8028 | 5440 | 6528 | 4360 | 5232 | 3440 | 4128 | 2660 | 3192 | 1990 | 2388 | 1430 | 1716 | 970 | 1164 | |
| بي | 2.47 | 2.964 | 2.41 | 2.892 | 2.35 | 2.82 | 2.28 | 2.736 | 2.13 | 2.556 | 1.96 | 2.352 | 1.78 | 2.136 | 1.58 | 1.896 | 1.36 | 1.632 | 1.12 | 1.344 | 0.86 | 1.032 | ||
| 2YG-3.2 | 50 | جودة | 8930 | 10716 | 8120 | 9744 | 7370 | 8844 | 6670 | 8004 | 5420 | 6504 | 4350 | 5220 | 3430 | 4116 | 2650 | 3180 | 1990 | 2388 | ||||
| بي | 2.41 | 2.892 | 2.35 | 2.82 | 2.29 | 2.748 | 2.22 | 2.664 | 2.07 | 2.484 | 1.91 | 2.292 | 1.74 | 2.088 | 1.54 | 1.848 | 1.33 | 1.596 | ||||||
| 60 | جودة | 7670 | 9204 | 6980 | 8376 | 6320 | 7584 | 5720 | 6864 | 4630 | 5556 | 3700 | 4440 | 2890 | 3468 | 2210 | 2652 | 1630 | 1956 | |||||
| بي | 2.70 | 3.24 | 2.62 | 3.144 | 2.54 | 3.048 | 2.46 | 2.952 | 2.28 | 2.736 | 2.09 | 2.508 | 1.87 | 2.244 | 1.64 | 1.968 | 1.38 | 1.656 | ||||||
| 70 | جودة | 6460 | 7752 | 5860 | 7032 | 5310 | 6372 | 4800 | 5760 | 3870 | 4644 | 3070 | 3684 | 2390 | 2868 | 1810 | 2172 | 1310 | 1572 | |||||
| بي | 3.00 | 3.6 | 2.90 | 3.48 | 2.80 | 3.36 | 2.70 | 3.24 | 2.49 | 2.988 | 2.25 | 2.7 | 2.00 | 2.4 | 1.71 | 2.052 | 1.41 | 1.692 | ||||||
| 2YD-3.2 | 30 | جودة | 14820 | 17784 | 13510 | 16212 | 12290 | 14748 | 11150 | 13380 | 9130 | 10956 | 7400 | 8880 | 5920 | 7104 | 4670 | 5604 | 3610 | 4332 | 2720 | 3264 | 1980 | 2376 |
| بي | 2.19 | 2.628 | 2.15 | 2.58 | 2.11 | 2.532 | 2.06 | 2.472 | 1.95 | 2.34 | 1.83 | 2.196 | 1.69 | 2.028 | 1.54 | 1.848 | 1.37 | 1.644 | 1.19 | 1.428 | 1.00 | 1.2 | ||
| 40 | جودة | 13050 | 15660 | 11880 | 14256 | 10800 | 12960 | 9790 | 11748 | 8000 | 9600 | 6450 | 7740 | 5130 | 6156 | 4010 | 4812 | 3070 | 3684 | 2270 | 2724 | 1610 | 1932 | |
| بي | 2.62 | 3.144 | 2.56 | 3.072 | 2.50 | 3 | 2.43 | 2.916 | 2.27 | 2.724 | 2.11 | 2.532 | 1.92 | 2.304 | 1.72 | 2.064 | 1.50 | 1.8 | 1.27 | 1.524 | 1.03 | 1.236 | ||
| 50 | جودة | 11340 | 13608 | 10320 | 12384 | 9370 | 11244 | 8490 | 10188 | 6910 | 8292 | 5550 | 6660 | 4390 | 5268 | 3400 | 4080 | 2570 | 3084 | 1860 | 2232 | 1280 | 1536 | |
| بي | 302 | 362.4 | 2.94 | 3.528 | 2.85 | 3.42 | 2.76 | 3.312 | 2.56 | 3.072 | 2.35 | 2.82 | 2.11 | 2.532 | 1.86 | 2.232 | 1.60 | 1.92 | 1.32 | 1.584 | 1.02 | 1.224 | ||
| 2YG-4.2 | 50 | جودة | 11300 | 13560 | 10280 | 12336 | 9340 | 11208 | 8460 | 10152 | 6890 | 8268 | 5540 | 6648 | 4380 | 5256 | 3400 | 4080 | 2570 | 3084 | ||||
| بي | 3.03 | 3.636 | 2.95 | 3.54 | 2.86 | 3.432 | 2.76 | 3.312 | 2.56 | 3.072 | 2.34 | 2.808 | 2.10 | 2.52 | 1.85 | 2.22 | 1.58 | 1.896 | ||||||
| 60 | جودة | 6960 | 8352 | 8810 | 10572 | 8000 | 9600 | 7230 | 8676 | 5870 | 7044 | 4690 | 5628 | 3680 | 4416 | 2830 | 3396 | 2100 | 2520 | |||||
| بي | 3.39 | 4.068 | 3.28 | 3.936 | 3.17 | 3.804 | 3.06 | 3.672 | 2.81 | 3.372 | 2.54 | 3.048 | 2.26 | 2.712 | 1.96 | 2.352 | 1.65 | 1.98 | ||||||
| 70 | جودة | 8140 | 9768 | 7390 | 8868 | 6700 | 8040 | 6050 | 7260 | 4890 | 5868 | 3890 | 4668 | 3040 | 3648 | 2310 | 2772 | 1700 | 2040 | |||||
| بي | 3.75 | 4.5 | 3.61 | 4.332 | 3.48 | 4.176 | 3.34 | 4.008 | 3.04 | 3.648 | 2.73 | 3.276 | 2.40 | 2.88 | 2.06 | 2.472 | 1.70 | 2.04 | ||||||
درجة حرارة غاز الشفط 20 درجة مئوية، 50 هرتز، بدون تبريد فرعي للسائل.
تبريد إضافي أو درجة حرارة غاز الشفط محدودة.
R404A/R507A
| نموذج | درجة حرارة التكثيف | قدرة التبريد جودة (وات) استهلاك الطاقة بي (كيلوواط) | ||||||||||||
| درجة حرارة التبخر ℃ | ||||||||||||||
| 7.5 | 5 | 0 | -5 | -10 | -15 | -20 | -25 | -30 | -35 | -40 | -45 | |||
| 2YD-2.2 | 30 | جودة | 10110 | 8340 | 6810 | 5490 | 4360 | 3390 | 2570 | 1880 | 1300 | |||
| بي | 2.72 | 2.59 | 2.43 | 2.25 | 2.05 | 1.83 | 1.59 | 1.35 | 1.09 | |||||
| 40 | جودة | 8490 | 68980 | 5670 | 4530 | 3560 | 2720 | 2020 | 1420 | 920 | ||||
| بي | 3.15 | 2.94 | 2.7 | 2.44 | 2.17 | 1.88 | 1.58 | 1.28 | 0.98 | |||||
| 50 | جودة | 6900 | 5640 | 4550 | 3600 | 2780 | 2080 | 1490 | 990 | |||||
| بي | 3.55 | 3.25 | 2.93 | 2.59 | 2.25 | 1.9 | 1.54 | 1.19 | ||||||
| 2YG-3.2 | 30 | جودة | 15940 | 14630 | 12260 | 10200 | 8420 | 6870 | 5540 | 4400 | 3420 | 2590 | 1890 | |
| بي | 2.79 | 2.8 | 2.77 | 2.71 | 2.6 | 2.45 | 2.28 | 2.08 | 1.86 | 1.62 | 1.37 | |||
| 40 | جودة | 13510 | 12390 | 10380 | 8610 | 7080 | 5750 | 4600 | 3610 | 2760 | 2040 | 1430 | ||
| بي | 3.49 | 3.44 | 3.32 | 3.16 | 2.96 | 2.74 | 2.49 | 2.21 | 1.92 | 1.62 | 1.31 | |||
| 50 | جودة | 11110 | 10180 | 8500 | 7030 | 5740 | 4630 | 3660 | 2820 | 2110 | 1510 | 1000 | ||
| بي | 4.11 | 4.02 | 3.8 | 3.55 | 3.27 | 2.96 | 2.63 | 2.29 | 1.93 | 1.57 | 1.2 | |||
| 2YD-3.2 | 30 | جودة | 12470 | 10290 | 8400 | 6780 | 5380 | 4190 | 3180 | 2330 | 1630 | |||
| بي | 3.33 | 3.15 | 2.95 | 2.72 | 2.48 | 2.21 | 1.93 | 1.64 | 1.35 | |||||
| 40 | جودة | 10510 | 8650 | 7040 | 5640 | 4440 | 3420 | 2550 | 1810 | 1200 | ||||
| بي | 3.85 | 3.58 | 3.29 | 2.98 | 2.65 | 2.32 | 1.97 | 1.62 | 1.27 | |||||
| 50 | جودة | 8590 | 7050 | 5710 | 4550 | 3540 | 2690 | 1950 | 1340 | |||||
| بي | 4.35 | 3.98 | 3.60 | 3.21 | 2.80 | 2.39 | 1.98 | 1.57 | ||||||
| 2YG-4.2 | 30 | جودة | 19440 | 17840 | 14960 | 12450 | 10280 | 8400 | 6770 | 5380 | 4190 | 3170 | 2320 | |
| بي | 3.48 | 3.48 | 3.42 | 3.32 | 3.17 | 2.98 | 2.76 | 2.50 | 2.23 | 1.94 | 1.64 | |||
| 40 | جودة | 16470 | 15110 | 12660 | 10520 | 8660 | 7050 | 5650 | 4450 | 3420 | 2540 | 1810 | ||
| بي | 4.31 | 4.25 | 4.08 | 3.86 | 3.61 | 3.33 | 3.02 | 2.69 | 2.34 | 1.98 | 1.61 | |||
| 50 | جودة | 13550 | 12430 | 10400 | 8620 | 7070 | 5720 | 4550 | 3540 | 2690 | 1960 | 1340 | ||
| بي | 5.08 | 4.96 | 4.68 | 4.36 | 4.01 | 3.63 | 3.23 | 2.82 | 2.40 | 1.98 | 1.55 | |||
بناءً على درجة حرارة غاز الشفط 20 درجة مئوية، 50 هرتز، بدون تبريد فرعي سائل.
تبريد إضافي أو درجة حرارة غاز الشفط محدودة.
نظام تبريد إضافي ونظام CIC.
وهو متوافق مع أربعة مبردات: R404A، R22، R134A، وR507C. يتيح هذا التوافق التكامل المرن مع أنظمة التبريد المختلفة، مثل تخزين الأطعمة المجمدة ذات درجة الحرارة المنخفضة (R404A) وتطبيقات التبريد العامة (R22/R134A).
يقدم الضاغط ثلاثة خيارات HP، مع نماذج محددة تتوافق مع كل منها:
• 2HP: الموديل 2YD-2.2 (الطاقة الاسمية: 2HP/1.5KW)
• 3HP: الطرازان 2YG-3.2 و 2YD-3.2 (الطاقة الاسمية: 3HP/2.2KW)
• 4HP: الموديل 2YG-4.2 (الطاقة الاسمية: 4HP/3KW)
وهي مصممة لثلاثة سيناريوهات أساسية:
• تبريد منتجات الألبان : يحافظ على درجة حرارة تتراوح من 2 إلى 4 درجات مئوية (اختلاف درجة الحرارة ≥1 درجة مئوية) في غرف تخزين تبلغ سعتها 100 إلى 200 متر مكعب، بما يتوافق مع معايير إدارة الغذاء والدواء الأمريكية والاتحاد الأوروبي 10/2011 للحفاظ على الحليب واللبن والجبن.
• تبريد العمليات الصناعية : يبرد الزيت الهيدروليكي وسوائل المعالجة من 40 درجة مئوية إلى 15 درجة مئوية لقوالب حقن البلاستيك، وأشغال المعادن، وإنتاج الإلكترونيات - مما يقلل من وقت توقف المعدات بنسبة 20% ويطيل عمر الأداة بنسبة 30%.
• مستودعات المواد الغذائية المتوسطة (150-300 متر مكعب) : تعمل على مدار الساعة طوال أيام الأسبوع لحفظ الأطعمة المجمدة (مثل البيتزا والخضروات المعبأة مسبقًا) عند -18 درجة مئوية، مع هيكل محكم مقاوم للغبار وتوافق مع R404A.
ثلاث ميزات تصميم مهمة تضمن الكفاءة والموثوقية:
• مجموعة لوحة الصمام الفعالة : تستخدم الفولاذ الزنبركي المستورد من ألمانيا، مما يعمل على تحسين تدفق الهواء بنسبة 15% لتعزيز قدرة التبريد وتقليل استخدام الطاقة.
• نظام التشحيم القسري : تعمل مضخة الزيت المخصصة على توصيل الزيت إلى المحامل والمكابس وأعمدة الكرنك بمعدل ثابت يبلغ 0.2 ميجا باسكال، مما يضمن التشحيم المستقر حتى في ظل الأحمال العالية (حتى 20 حصانًا) وتقليل الاحتكاك.
• سخان علبة المرافق المدمج : يمنع السخان بقدرة 140 وات 220 فولت تكثيف مادة التبريد في علبة المرافق أثناء إيقاف التشغيل، مما يحمي المحرك من تلف سائل التبريد.