| قوة الحصان: | |
|---|---|
| مزود الطاقة: | |
| حامي المحرك: | |
| زيوت التشحيم: | |
| توافر الحالة: | |
| الكمية: | |
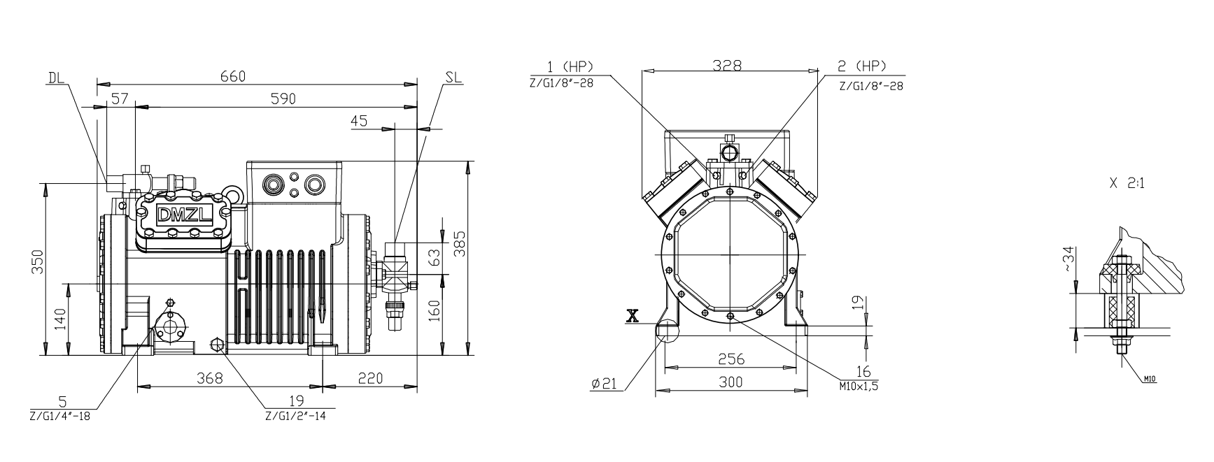
4YD/4YG
DMZL

تم تصميم ضاغط المكبس شبه المحكم DMZL ذو 4 أسطوانات (8-20HP) المصمم للتبريد عالي الطاقة في درجات الحرارة المنخفضة/المتوسطة (8-20HP) بأداء قوي لاحتياجات التبريد على المستوى الصناعي. إن نظام التشحيم القسري وهيكل الخدمة الشاقة يجعله مناسبًا للبيئات الصعبة حيث لا يمكن التفاوض على الموثوقية وقدرة التبريد العالية.
• تشغيل المجمدات الكبيرة ومرافق تخزين التبريد الكبيرة (1000-5000 متر مربع) للحوم المجمدة والمأكولات البحرية والمنتجات الزراعية، والحفاظ على درجات حرارة منخفضة تصل إلى -45 درجة مئوية (مع R404A/R507A).
• يدعم الأنظمة المتوازية متعددة الضواغط للتبريد القابل للتطوير، وهو مثالي لمراكز التوزيع في الصناعات الغذائية والصيدلانية.
• التبريد الصناعي : يبرد الآلات والعمليات في مجالات بثق البلاستيك، وإنتاج المواد الكيميائية، وتصنيع الإلكترونيات، حيث تتطلب الأحمال الحرارية قدرة تبريد تتراوح بين 5.5 و15 كيلو وات.
• شاشات العرض التجارية المجمدة : تعمل على تشغيل جزر الأطعمة المجمدة كبيرة الحجم في محلات السوبر ماركت وآلات صنع الثلج من الدرجة الصناعية، مما يضمن التجميد المستمر دون إهدار الطاقة.
• نظام التشحيم القسري : يضمن إمداد الزيت المستمر للمكونات المهمة (العمود المرفقي، والمحامل) حتى في ظل التشغيل عالي الأحمال، مما يقلل من التآكل ويطيل عمر الخدمة إلى أكثر من 15 عامًا.
• الختم شبه المحكم : يعمل صب ضاغط المحرك المتكامل على التخلص من أختام العمود، مما يقلل من تسرب مادة التبريد (معدل التسرب السنوي ≥0.1%) ويقلل التأثير البيئي.
• تصنيع دقيق باستخدام الحاسب الآلي : تتم معالجة تجاويف الأسطوانات وأعمدة الكرنك عبر مراكز CNC ذات 5 محاور، مما يضمن التركيز والحد الأدنى من المساحة الميتة - مما يعزز كفاءة الضغط بنسبة 8-10% مقابل الضواغط القياسية.
• المكونات المقاومة للتآكل : حلقات المكبس المطلية بالكروم، وأعمدة الكرنك المصنوعة من سبائك الفولاذ المتصلبة، وقصب الصمامات الفولاذية الزنبركية المستوردة المقاومة للصدمات، تتحمل الضغط العالي ودورات الدراجات المتكررة.

• التوافق مع نظام CIC : يدعم تبريد حقن علبة المرافق (CIC) للبيئات ذات درجات الحرارة العالية (المحيطة > 40 درجة مئوية)، مما يمنع ارتفاع درجة الحرارة أثناء الأحمال القصوى.
• حلول تبريد مخصصة : يقدم المهندسون حسابات الحمل وتصميم النظام لإعدادات الضاغط المتوازي، مما يضمن كفاءة الطاقة المثلى (EER 3.0–3.5).
• ضمان ما بعد البيع : ضمان لمدة 24 شهرًا على جسم الضاغط، مع إصلاح مجاني في الموقع في حالة الأعطال الكبيرة خلال السنة الأولى.
• مخزون قطع الغيار : تقوم المستودعات العالمية بتخزين الأجزاء المهمة (مضخات التشحيم ولفائف المحركات) للتسليم في اليوم التالي للعملاء الصناعيين.
| نموذج DMZL | الطاقة الاسمية حصان/كيلوواط | الإزاحة م³/ساعة@ 50 هرتز | عدد الاسطوانات × القطر × الشوكة | صمام العادم والشفط مم/بوصة | حجم الزيت L | الطاقة الخامس/φ/هرتز | المعلمة الكهربائية | سخان علبة المرافق (220 فولت) واط | طريقة توريد النفط | الوزن (مع مادة التشحيم) كجم | ||
| صمام العادم DL | صمام الشفط SL | ماكس التشغيل الحالي (أ) | البدء/ التيار المقفل (أ) | |||||||||
| 4YD-3.2 | 3/2.2 | 18.1 | 4×φ41×39.3 | φ16 | φ22 | 2 | 220-240△/380-420Y/3/50 265-290△/440-480Y/3/60 | 15.9/9.2 | 76.6/44.2 | 120 | تشحيم الطرد المركزي | 82 |
| 4YG-5.2 | 5/3.7 | 18.1 | 4×φ41×39.3 | φ16 | φ22 | 2 | 220-240△/380-420Y/3/50 265-290△/440-480Y/3/60 | 18.7/10.8 | 107.7/62.2 | 120 | تشحيم الطرد المركزي | 86 |
| 4YD-4.2 | 4/3 | 22.7/27.4 | 4×φ46×39.3 | φ22 | φ28 | 2 | 220-240△/380-420Y/3/50 265-290△/440-480Y/3/61 | 18.5/10.7 | 92.7/53.2 | 120 | تشحيم الطرد المركزي | 84 |
| 4YG-6.2 | 6/4.4 | 22.7/27.4 | 4×φ46×39.3 | φ22 | φ28 | 2 | 220-240△/380-420Y/3/50 265-290△/440-480Y/3/61 | 22.9/13.2 | 107.7/62.2 | 120 | تشحيم الطرد المركزي | 86 |
| 4YD-5.2 | 5/3.7 | 26.8 | 4×φ50×39.3 | φ22 | φ28 | 2 | 220-240△/380-420Y/3/50 265-290△/440-480Y/3/60 | 23.4/13.5 | 107.7/62.2 | 120 | تشحيم الطرد المركزي | 85.5 |
| 4YG-7.2 | 7/5.1 | 26.8 | 4×φ50×39.3 | φ22 | φ28 | 2 | 220-240△/380-420Y/3/50 265-290△/440-480Y/3/60 | 27.5/15.9 | 142.8/82.4 | 120 | تشحيم الطرد المركزي | 88.5 |
| 4YD-6.2 | 6/4.4 | 32.5 | 4×φ55×39.3 | φ22 | φ28 | 2 | 220-240△/380-420Y/3/50 265-290△/440-480Y/3/60 | 27.5/15.9 | 142.8/82.4 | 120 | تشحيم الطرد المركزي | 90.5 |
| 4YG-9.2 | 9/6.6 | 32.5 | 4×φ55×39.3 | φ22 | φ28 | 2 | 220-240△/380-420Y/3/50 265-290△/440-480Y/3/60 | 34.5/20 | 142.8/82.4 | 120 | تشحيم الطرد المركزي | 90.5 |
R134A
| نموذج | درجة حرارة التكثيف | قدرة التبريد جودة (وات) استهلاك الطاقة بي (كيلوواط) | ||||||||||||||||||||||
| درجة حرارة التبخر ℃ | ||||||||||||||||||||||||
| 12.5 | 10 | 7.5 | 5 | 0 | -5 | -10 | -15 | -20 | -25 | -30 | ||||||||||||||
| 50 هرتز | 60 هرتز | 50 هرتز | 60 هرتز | 50 هرتز | 60 هرتز | 50 هرتز | 60 هرتز | 50 هرتز | 60 هرتز | 50 هرتز | 60 هرتز | 50 هرتز | 60 هرتز | 50 هرتز | 60 هرتز | 50 هرتز | 60 هرتز | 50 هرتز | 60 هرتز | 50 هرتز | 60 هرتز | |||
| 4YD-8.2 | 30 | جودة | 38400 | 46080 | 35000 | 42000 | 31800 | 38160 | 28900 | 34680 | 23600 | 28320 | 19120 | 22944 | 15280 | 18336 | 12030 | 14436 | 9280 | 11136 | 6980 | 8376 | 5080 | 6096 |
| بي | 5.05 | 6.06 | 5.12 | 6.144 | 5.16 | 6.192 | 5.16 | 6.192 | 5.05 | 6.06 | 4.83 | 5.796 | 4.53 | 5.436 | 4.15 | 4.98 | 3.73 | 4.476 | 3.28 | 3.936 | 2.84 | 3.408 | ||
| 40 | جودة | 33950 | 40740 | 30900 | 37080 | 28050 | 33660 | 25400 | 30480 | 20700 | 24840 | 16670 | 20004 | 13220 | 15864 | 10290 | 12348 | 7810 | 9372 | 5730 | 6876 | 3990 | 4788 | |
| بي | 6.63 | 7.956 | 6.52 | 7.824 | 6.39 | 7.668 | 6.24 | 7.488 | 5.87 | 7.044 | 5.43 | 6.516 | 4.93 | 5.916 | 4.40 | 5.28 | 3.83 | 4.596 | 3.26 | 3.912 | 2.69 | 3.228 | ||
| 50 | جودة | 29350 | 35220 | 26700 | 32040 | 24200 | 29040 | 21900 | 26280 | 17730 | 21276 | 14170 | 17004 | 11110 | 13332 | 8520 | 10224 | 6320 | 7584 | 4470 | 5364 | 2930 | 3516 | |
| بي | 7.88 | 9.456 | 7.64 | 9.168 | 7.38 | 8.856 | 7.10 | 8.52 | 6.52 | 7.824 | 5.89 | 7.068 | 5.23 | 6.276 | 4.54 | 5.448 | 3.84 | 4.608 | 3.14 | 3.768 | 2.44 | 2.928 | ||
| 4YG-12.2 | 50 | جودة | 29100 | 34920 | 26400 | 31680 | 23900 | 28680 | 21550 | 25860 | 17390 | 20868 | 13810 | 16572 | 10750 | 12900 | 8140 | 9768 | 5940 | 7128 | 0 | 0 | ||
| بي | 7.51 | 9.012 | 7.33 | 8.796 | 7.12 | 8.544 | 6.88 | 8.256 | 6.34 | 7.608 | 5.73 | 6.876 | 5.06 | 6.072 | 4.37 | 5.244 | 3.66 | 4.392 | 0 | 0 | ||||
| 60 | جودة | 24450 | 29340 | 22150 | 26580 | 19990 | 23988 | 18000 | 21600 | 14420 | 17304 | 11340 | 13608 | 8710 | 10452 | 6460 | 7752 | 4560 | 5472 | 0 | 0 | |||
| بي | 8.49 | 10.188 | 8.18 | 9.816 | 7.86 | 9.432 | 7.51 | 9.012 | 6.79 | 8.148 | 6.02 | 7.224 | 5.21 | 6.252 | 4.40 | 5.28 | 3.58 | 4.296 | 0 | 0 | ||||
| 70 | جودة | 19850 | 23820 | 17950 | 21540 | 16170 | 19404 | 14520 | 17424 | 11540 | 13848 | 8970 | 10764 | 6760 | 8112 | 4880 | 5856 | 3290 | 3948 | 0 | 0 | |||
| بي | 9.15 | 10.98 | 8.75 | 10.5 | 8.33 | 9.996 | 7.91 | 9.492 | 7.04 | 8.448 | 6.14 | 7.368 | 5.24 | 6.288 | 4.33 | 5.196 | 3.43 | 4.116 | 0 | 0 | ||||
| 4YD-10.2 | 30 | جودة | 44850 | 53820 | 40850 | 49020 | 37150 | 44580 | 33700 | 40440 | 27550 | 33060 | 22300 | 26760 | 17790 | 21348 | 13960 | 16752 | 10730 | 12876 | 8020 | 9624 | 5760 | 6912 |
| بي | 5.88 | 7.056 | 6.01 | 7.212 | 6.08 | 7.296 | 6.10 | 7.32 | 5.99 | 7.188 | 5.73 | 6.876 | 5.33 | 6.396 | 4.84 | 5.808 | 4.30 | 5.16 | 3.73 | 4.476 | 3.17 | 3.804 | ||
| 40 | جودة | 39600 | 47520 | 36000 | 43200 | 32700 | 39240 | 29650 | 35580 | 24150 | 28980 | 19410 | 23292 | 15360 | 18432 | 11920 | 14304 | 9000 | 10800 | 6540 | 7848 | 4480 | 5376 | |
| بي | 7.63 | 9.156 | 7.56 | 9.072 | 7.45 | 8.94 | 7.29 | 8.748 | 6.89 | 8.268 | 6.38 | 7.656 | 5.77 | 6.924 | 5.11 | 6.132 | 4.41 | 5.292 | 3.70 | 4.44 | 3.01 | 3.612 | ||
| 50 | جودة | 34200 | 41040 | 31100 | 37320 | 28200 | 33840 | 25450 | 30540 | 20600 | 24720 | 16450 | 19740 | 12870 | 15444 | 9820 | 11784 | 7230 | 8676 | 5050 | 6060 | 3220 | 3864 | |
| بي | 9.11 | 10.932 | 8.85 | 10.62 | 8.56 | 10.272 | 8.26 | 9.912 | 7.58 | 9.096 | 6.84 | 8.208 | 6.05 | 7.26 | 5.24 | 6.288 | 4.40 | 5.28 | 3.58 | 4.296 | 2.77 | 3.324 | ||
| 4YG-15.2 | 50 | جودة | 34700 | 41640 | 31450 | 37740 | 28450 | 34140 | 25650 | 30780 | 20650 | 24780 | 16350 | 19620 | 12680 | 15216 | 9560 | 11472 | 6930 | 8316 | 0 | 0 | ||
| بي | 8.78 | 10.536 | 8.54 | 10.248 | 8.28 | 9.936 | 8.00 | 9.6 | 7.36 | 8.832 | 6.65 | 7.98 | 5.88 | 7.056 | 5.07 | 6.084 | 4.24 | 5.088 | 0 | 0 | ||||
| 60 | جودة | 29250 | 35100 | 26500 | 31800 | 23900 | 28680 | 21500 | 25800 | 17170 | 20604 | 13450 | 16140 | 10270 | 12324 | 7550 | 9060 | 5260 | 6312 | 0 | 0 | |||
| بي | 9.80 | 11.76 | 9.44 | 11.328 | 9.06 | 10.872 | 8.67 | 10.404 | 7.83 | 9.396 | 6.94 | 8.328 | 6.01 | 7.212 | 5.05 | 6.06 | 4.07 | 4.884 | 0 | 0 | ||||
| 70 | جودة | 23850 | 28620 | 21550 | 25860 | 19380 | 23256 | 17380 | 20856 | 13770 | 16524 | 10650 | 12780 | 7960 | 9552 | 5670 | 6804 | 3720 | 4464 | 0 | 0 | |||
| بي | 10.58 | 12.696 | 10.12 | 12.144 | 9.64 | 11.568 | 9.15 | 10.98 | 8.14 | 9.768 | 7.09 | 8.508 | 6.00 | 7.2 | 4.89 | 5.868 | 3.76 | 4.512 | 0 | 0 | ||||
| 4YD-12.2 | 30 | جودة | 50900 | 61080 | 46300 | 55560 | 42100 | 50520 | 38250 | 45900 | 31300 | 37560 | 25350 | 30420 | 20250 | 24300 | 15930 | 19116 | 12290 | 14748 | 9240 | 11088 | 6700 | 8040 |
| بي | 7.45 | 8.94 | 7.40 | 8.88 | 7.33 | 8.796 | 7.22 | 8.664 | 6.93 | 8.316 | 6.55 | 7.86 | 6.10 | 7.32 | 5.58 | 6.696 | 5.01 | 6.012 | 4.41 | 5.292 | 3.79 | 4.548 | ||
| 40 | جودة | 45300 | 54360 | 41200 | 49440 | 37450 | 44940 | 33950 | 40740 | 27700 | 33240 | 22300 | 26760 | 17680 | 21216 | 13760 | 16512 | 10440 | 12528 | 7650 | 9180 | 5320 | 6384 | |
| بي | 9.16 | 10.992 | 8.97 | 10.764 | 8.75 | 10.5 | 8.50 | 10.2 | 7.95 | 9.54 | 7.33 | 8.796 | 6.65 | 7.98 | 5.92 | 7.104 | 5.17 | 6.204 | 4.39 | 5.268 | 3.61 | 4.332 | ||
| 50 | جودة | 39550 | 47460 | 35950 | 43140 | 32600 | 39120 | 29500 | 35400 | 23900 | 28680 | 19090 | 22908 | 14980 | 17976 | 11480 | 13776 | 8510 | 10212 | 6020 | 7224 | 3930 | 4716 | |
| بي | 10.79 | 12.948 | 10.45 | 12.54 | 10.09 | 12.108 | 9.71 | 11.652 | 8.88 | 10.656 | 7.99 | 9.588 | 7.05 | 8.46 | 6.10 | 7.32 | 5.15 | 6.18 | 4.22 | 5.064 | 3.34 | 4.008 | ||
| 4YG-20.2 | 50 | جودة | 40250 | 48300 | 36500 | 43800 | 33000 | 39600 | 29800 | 35760 | 23950 | 28740 | 18970 | 22764 | 14690 | 17628 | 11040 | 13248 | 7940 | 9528 | 0 | |||
| بي | 10.42 | 12.504 | 10.11 | 12.132 | 9.77 | 11.724 | 9.41 | 11.292 | 8.63 | 10.356 | 7.77 | 9.324 | 6.85 | 8.22 | 5.88 | 7.056 | 4.89 | 5.868 | 0 | |||||
| 60 | جودة | 33900 | 40680 | 30650 | 36780 | 27650 | 33180 | 24850 | 29820 | 19850 | 23820 | 15530 | 18636 | 11830 | 14196 | 8690 | 10428 | 6020 | 7224 | |||||
| بي | 11.65 | 13.98 | 11.20 | 13.44 | 10.72 | 12.864 | 10.22 | 12.264 | 9.18 | 11.016 | 8.10 | 9.72 | 6.98 | 8.376 | 5.84 | 7.008 | 4.70 | 5.64 | ||||||
| 70 | جودة | 27500 | 33000 | 24850 | 29820 | 22350 | 26820 | 20000 | 24000 | 15840 | 19008 | 12240 | 14688 | 9150 | 10980 | 6520 | 7824 | 4300 | 5160 | |||||
| بي | 12.59 | 15.108 | 12.01 | 14.412 | 11.42 | 13.704 | 10.82 | 12.984 | 9.57 | 11.484 | 8.30 | 9.96 | 7.02 | 8.424 | 5.75 | 6.9 | 4.52 | 5.424 | ||||||
درجة حرارة غاز الشفط 20 درجة مئوية، 50 هرتز، بدون تبريد فرعي للسائل.
تبريد إضافي أو درجة حرارة غاز الشفط محدودة.
R404A/R507A
| نموذج | درجة حرارة التكثيف | قدرة التبريد جودة (وات) استهلاك الطاقة بي (كيلوواط) | ||||||||||||
| درجة حرارة التبخر ℃ | ||||||||||||||
| 7.5 | 5 | 0 | -5 | -10 | -15 | -20 | -25 | -30 | -35 | -40 | -45 | |||
| 4YD-8.2 | 30 | جودة | 33050 | 27250 | 22200 | 17890 | 14170 | 10990 | 8300 | 6040 | 4150 | |||
| بي | 8.74 | 8.17 | 7.55 | 6.87 | 6.16 | 5.41 | 4.64 | 3.86 | 3.07 | |||||
| 40 | جودة | 27750 | 22800 | 18480 | 14760 | 11560 | 8830 | 6520 | 4580 | 2960 | ||||
| بي | 9.86 | 9.05 | 8.20 | 7.34 | 6.46 | 5.57 | 4.66 | 3.74 | 2.81 | |||||
| 50 | جودة | 18350 | 14790 | 11710 | 9070 | 6800 | 4880 | 3260 | ||||||
| بي | 9.74 | 8.71 | 7.68 | 6.65 | 5.61 | 4.55 | 3.46 | |||||||
| 4YG-12.2 | 30 | جودة | 51500 | 47200 | 39450 | 32750 | 26900 | 21900 | 17550 | 13830 | 10650 | 7960 | 5700 | |
| بي | 8.63 | 8.63 | 8.49 | 8.22 | 7.81 | 7.29 | 6.68 | 6.00 | 5.26 | 4.48 | 3.68 | |||
| 40 | جودة | 43500 | 39850 | 33300 | 27550 | 22600 | 18260 | 14530 | 11320 | 8590 | 6270 | 4320 | ||
| بي | 10.66 | 10.47 | 9.99 | 9.40 | 8.72 | 7.96 | 7.15 | 6.29 | 5.40 | 4.51 | 3.62 | |||
| 50 | جودة | 35400 | 32400 | 27050 | 22350 | 18230 | 14650 | 11550 | 8880 | 6590 | 4650 | 3020 | ||
| بي | 12.28 | 11.93 | 11.17 | 10.33 | 9.42 | 8.45 | 7.45 | 6.42 | 5.39 | 4.36 | 3.36 | |||
| 4YD-10.2 | 30 | جودة | 38300 | 31600 | 25750 | 20700 | 16390 | 12690 | 9550 | 6910 | 4690 | |||
| بي | 10.07 | 9.37 | 8.64 | 7.87 | 7.06 | 6.22 | 5.34 | 4.43 | 3.48 | |||||
| 40 | جودة | 32300 | 26500 | 21500 | 17130 | 13400 | 10220 | 7520 | 5240 | 3350 | ||||
| بي | 11.39 | 10.45 | 9.47 | 8.45 | 7.41 | 6.35 | 5.30 | 4.25 | 3.22 | |||||
| 50 | جودة | 21500 | 17290 | 13660 | 10550 | 7890 | 5640 | 3760 | ||||||
| بي | 11.26 | 10.04 | 8.80 | 7.53 | 6.28 | 5.05 | 3.88 | |||||||
| 4YG-15.2 | 30 | جودة | 61500 | 56400 | 47100 | 39050 | 32100 | 26000 | 20800 | 16320 | 12490 | 9240 | 6500 | |
| بي | 10.23 | 10.19 | 9.96 | 9.58 | 9.06 | 8.43 | 7.70 | 6.90 | 6.04 | 5.14 | 4.23 | |||
| 40 | جودة | 52200 | 47850 | 39950 | 33050 | 27050 | 21850 | 17360 | 13490 | 10190 | 7390 | 5020 | ||
| بي | 12.41 | 12.14 | 11.51 | 10.79 | 9.99 | 9.11 | 8.18 | 7.19 | 6.17 | 5.13 | 4.07 | |||
| 50 | جودة | 42600 | 39000 | 32500 | 26750 | 21800 | 17430 | 13680 | 10460 | 7710 | 5380 | 3420 | ||
| بي | 14.27 | 13.78 | 12.78 | 11.73 | 10.66 | 9.55 | 8.43 | 7.28 | 6.11 | 4.94 | 3.75 | |||
| 4YD-12.2 | 30 | جودة | 44000 | 36250 | 29550 | 23750 | 18810 | 14580 | 11000 | 7980 | 5470 | |||
| بي | 11.88 | 11.15 | 10.30 | 9.35 | 8.35 | 7.30 | 6.23 | 5.19 | 4.18 | |||||
| 40 | جودة | 37300 | 30600 | 24800 | 19810 | 15510 | 11840 | 8740 | 6120 | 3950 | ||||
| بي | 13.39 | 12.33 | 11.18 | 9.97 | 8.71 | 7.44 | 6.19 | 4.99 | 3.87 | |||||
| 50 | جودة | 24850 | 20000 | 15820 | 12210 | 9120 | 6510 | 4300 | ||||||
| بي | 13.28 | 11.83 | 10.37 | 8.91 | 7.45 | 6.01 | 4.60 | |||||||
| 4YG-20.2 | 30 | جودة | 71000 | 65100 | 54500 | 45250 | 37200 | 30250 | 24250 | 19070 | 14640 | 10860 | 7660 | |
| بي | 12.24 | 12.20 | 11.94 | 11.47 | 10.82 | 10.04 | 9.14 | 8.16 | 7.12 | 6.07 | 5.02 | |||
| 40 | جودة | 60500 | 55400 | 46250 | 38200 | 31250 | 25200 | 20000 | 15530 | 11730 | 8510 | 5820 | ||
| بي | 14.78 | 14.49 | 13.79 | 12.91 | 11.91 | 10.80 | 9.62 | 8.40 | 7.16 | 5.95 | 4.78 | |||
| 50 | جودة | 49900 | 45650 | 37900 | 31100 | 25250 | 20150 | 15760 | 12010 | 8840 | 6180 | 3980 | ||
| بي | 16.78 | 16.28 | 15.18 | 13.95 | 12.63 | 11.24 | 9.81 | 8.38 | 6.97 | 5.63 | 4.37 | |||
بناءً على درجة حرارة غاز الشفط 20 درجة مئوية، 50 هرتز، بدون تبريد فرعي سائل.
تبريد إضافي أو درجة حرارة غاز الشفط محدودة.
نظام تبريد إضافي ونظام CIC.
يتمتع الضاغط بنطاق طاقة اسمي يتراوح من 8 إلى 20 حصانًا (يقابل 5.9 إلى 14.7 كيلو واط)، مع نماذج محددة (على سبيل المثال، 4YD-8.2، 4YG-20.2) تغطي مستويات طاقة مختلفة في هذا النطاق.
وهو يدعم أربعة مبردات مشتركة للتبريد بدرجة حرارة منخفضة/متوسطة:
• R404A
• R507A
• R134A
• R22
يتم تقديم تكوينات متعددة لإمدادات الطاقة القياسية والمخصصة:
• 220~240 فولت/50 هرتز/3PH
• 380~420 فولت/50 هرتز/3PH
• 440~480 فولت/60 هرتز/3PH
• محرك مخصص مزود بالطاقة المزدوجة (عند الطلب)
لقد تم تصميمه لتلبية احتياجات التبريد على المستوى الصناعي، بما في ذلك بشكل أساسي سيناريوهين أساسيين:
1. وحدات التخزين والتخزين البارد واسعة النطاق : تعمل على تشغيل المجمدات الكبيرة والتخزين البارد السائب بسعة 1000-5000 متر مربع (لللحوم المجمدة والمأكولات البحرية والمنتجات الزراعية)، والحفاظ على درجات حرارة منخفضة تصل إلى -45 درجة مئوية (مع R404A/R507A). كما أنها تدعم الأنظمة المتوازية متعددة الضواغط لمراكز توزيع الأغذية والأدوية.
2. التصنيع الصناعي والتجميد التجاري : تبريد الآلات في مجالات بثق البلاستيك، وإنتاج المواد الكيميائية، وتصنيع الإلكترونيات (قدرة التبريد 5.5-15 كيلو واط)؛ يقود جزر الأطعمة المجمدة الكبيرة في محلات السوبر ماركت وآلات صنع الثلج الصناعية.
يتمتع الضاغط بعمر خدمة يزيد عن 15 عامًا ، وهو مضمون بثلاثة تصميمات رئيسية:
• نظام التشحيم القسري : يضمن إمداد الزيت المستمر للمكونات المهمة (العمود المرفقي، المحامل) تحت الأحمال العالية، مما يقلل من التآكل.
• الختم شبه المحكم : يعمل صب ضاغط المحرك المتكامل على التخلص من أختام العمود، مما يقلل من تسرب غاز التبريد (معدل التسرب السنوي ≥0.1%).
• المكونات المقاومة للتآكل : حلقات المكبس المطلية بالكروم، وأعمدة الكرنك المصنوعة من سبائك الفولاذ المتصلبة، وقصب الصمامات الفولاذية الزنبركية المستوردة المقاومة للصدمات، تتحمل الضغط العالي ودورات الدراجات المتكررة.